Доставка бесплатна при заказе от 30 000 ₽
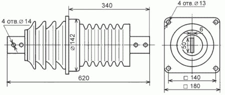
Проходные изоляторы ИПУ-10/630-7,5 УХЛ1 с квадратным фланцем состоят из фарфоровой детали, через внутреннюю полость которой проходит токоведущий металлический стержень прямоугольного сечения (шина) или группа шин. Если изолятор поставляется без шин, то встраивание и закрепление токоведущих частей в эти изоляторы производят непосредственно на монтажных участках. Для крепления проходного изолятора ИПУ-10/630-7,5 УХЛ1 на крышке бака или на стене он снабжен металлическим фланцем. Фланец соединен с фарфоровой деталью с помощью цементно-песчаного состава. Токоведущая шина крепится в металлических центрирующих шайбах или в металлических колпаках. Колпаки, а также фланец закрепляют на фарфоровой детали с помощью цементно-песчаного состава.
Проходные изоляторы ИПУ-10/630-7,5 УХЛ1 с квадратным фланцем имеют далеко выступающие ребра (крылья), которые защищают от дождя расположенные под ними части изолятора. Проходные изоляторы ИПУ-10/630-7,5 УХЛ1 могут работать в установках при температурах от -45 до +40°С при высоте установке не более 1000 м над уровнем моря.
Для покупки указателей высокого напряжения, изоляторов, выключателей, предохранителей, трансформаторов и другой продукции в нашем интернет-магазине выберите понравившийся товар и добавьте его в корзину. Далее перейдите в Корзину и нажмите на «Оформить заказ» или «Быстрый заказ».
Когда оформляете быстрый заказ, напишите ФИО, телефон и e-mail. Вам перезвонит менеджер и уточнит условия заказа. По результатам разговора вам придет подтверждение оформления товара на почту или через СМС. Теперь останется только ждать доставки и радоваться новой покупке.
Оформление заказа в стандартном режиме выглядит следующим образом. Заполняете полностью форму по последовательным этапам: адрес, способ доставки, оплаты, данные о себе. Советуем в комментарии к заказу написать информацию, которая поможет курьеру вас найти. Нажмите кнопку «Оформить заказ».
Для заказа и уточнения наличия продукции на складе вы можете отправить заявку через наш сайт. Наши специалисты предложат квалифицированные услуги и поддержку по любым вопросам.
Минимальная сумма заказа 3 000 рублей
Оплачивайте покупки удобным способом. В интернет-магазине доступно 2 варианта оплаты:
- Наличные при самовывозе из магазина. Специалист свяжется с вами в день доставки, чтобы уточнить время и заранее подготовить сдачу с любой купюры. Вы подписываете товаросопроводительные документы, вносите денежные средства, получаете товар и чек.
- Безналичный расчет при самовывозе или оформлении в интернет-магазине: банковские карты. Чтобы оплатить покупку, система перенаправит вас на сервер системы ASSIST. Здесь нужно ввести номер карты, срок действия и имя держателя.
Экономьте время на получении заказа. В интернет-магазине доступны разные варианты доставки:
- Бесплатная доставка при покупке от 30 000 рублей по Санкт-Петербургу в пределах КАД, Мурино и Кудрово. Габариты товара: длина до 0,5 м, высота до 0,4 м, ширина до 0,4 м. Общий вес до 80 кг.
- Бесплатная доставка со склада до терминала ТК Деловые Линии и ПЭК в течение 1-2 рабочих дней. Габариты товара: длина до 0,5 м, высота до 0,4 м, ширина до 0,4 м. Общий вес до 80 кг.
- Самовывоз из магазина. Когда заказ поступит на склад, вам придет уведомление. Для получения заказа обратитесь к сотруднику в кассовой зоне и назовите номер. Адрес магазина: проспект Энергетиков 19 к1 лит.Д
- Доставка при помощи транспортных служб в любые города РФ. На выбор заказчика Яндекс GO, Деловые линии, ПЭК или другая транспортная служба. Доставка оплачивается заказчиком.
Все товары по умолчанию отправляются в заводской упаковке. Можно заказать дополнительную упаковку за счет заказчика для более безопасной транспортировки.
