Доставка бесплатна при заказе от 30 000 ₽
Монтаж на DIN-рейку.
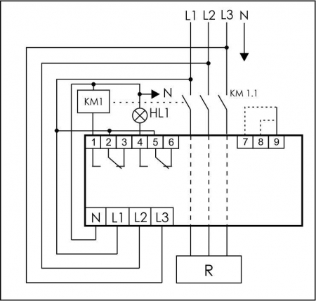
Для непрерывного контроля потребляемой от сети питания мощности и отключения нагрузки при превышении ее свыше установленного значения и защиты цепей питания от короткого замыкания. Ограничитель защищает так же потребителей электроэнергии (нагрузку) от перепадов напряжения, возникающих в 3-х фазных сетях при обрыве нулевого провода.
Ограничитель контролирует величину напряжения и величину потребляемого тока нагрузки , вычисляет значение потребляемой мощности отдельно в каждой фазе и обрабатывает эти значения в соответствии с выбранным алгоритмом работы. При повышении значения мощности свыше установленного значения нагрузка отключается от сети на установленное время . По истечении этого времени она автоматически подключается к сети питания.
Особенности:
трехфазный;
многофункциональный;
защита от перегрузки по току;
защита от циклической перегрузки;
защита от работы при пониженном и повышенном напряжении;
защита при обрыве нулевого провода;
выбор варианта определения значения отключаемой мощности:
- суммарно;
- суммарно, с ограничением мощности в любой из фаз на уровне 2/5P.
напряжение питания 3х(50...450) В AC;
диапазон контролируемой мощности 5...50 кВт;
контакт - 2NO/NC (2x8 A).
|
Бренд
|
Евроавтоматика F&F |
|
Артикул
|
EA03.001.007 |
|
Код единицы измерения размера (ДхШхВ)
|
Метр |
|
Ширина, мм
|
105 мм |
|
Высота, мм
|
90 мм |
|
Глубина
|
65 мм |
|
Способ монтажа
|
DIN-рейка |
|
Количество фаз
|
3 |
|
Номинальное напряжение с
|
50 В |
|
Номинальное напряжение по
|
450 В |
|
Исполнение электрического соединения
|
Зажимное/Винтовое крепление |
|
Количество переключающих контактов
|
2 |
|
Род тока включения
|
Переменный ток (AC) |
|
Максимально допустимое время задержки, с
|
240 с |
|
Минимальное регулируемое время задержки, с
|
1 с |
|
Номинальный ток длительной нагрузки Iu
|
6 А |
|
Условный номинальный ток короткого замыкания Iq
|
0.13 кА |
|
Ограничитель тока короткого замыкания
|
Да |
|
Максимальная полная мощность, В.А
|
50000 В.А |
|
Длина
|
0.117 |
|
Ширина
|
0.106 |
|
Высота
|
0.07 |
Для покупки указателей высокого напряжения, изоляторов, выключателей, предохранителей, трансформаторов и другой продукции в нашем интернет-магазине выберите понравившийся товар и добавьте его в корзину. Далее перейдите в Корзину и нажмите на «Оформить заказ» или «Быстрый заказ».
Когда оформляете быстрый заказ, напишите ФИО, телефон и e-mail. Вам перезвонит менеджер и уточнит условия заказа. По результатам разговора вам придет подтверждение оформления товара на почту или через СМС. Теперь останется только ждать доставки и радоваться новой покупке.
Оформление заказа в стандартном режиме выглядит следующим образом. Заполняете полностью форму по последовательным этапам: адрес, способ доставки, оплаты, данные о себе. Советуем в комментарии к заказу написать информацию, которая поможет курьеру вас найти. Нажмите кнопку «Оформить заказ».
Для заказа и уточнения наличия продукции на складе вы можете отправить заявку через наш сайт. Наши специалисты предложат квалифицированные услуги и поддержку по любым вопросам.
Минимальная сумма заказа 3 000 рублей
Оплачивайте покупки удобным способом. В интернет-магазине доступно 2 варианта оплаты:
- Наличные при самовывозе из магазина. Специалист свяжется с вами в день доставки, чтобы уточнить время и заранее подготовить сдачу с любой купюры. Вы подписываете товаросопроводительные документы, вносите денежные средства, получаете товар и чек.
- Безналичный расчет при самовывозе или оформлении в интернет-магазине: банковские карты. Чтобы оплатить покупку, система перенаправит вас на сервер системы ASSIST. Здесь нужно ввести номер карты, срок действия и имя держателя.
Экономьте время на получении заказа. В интернет-магазине доступны разные варианты доставки:
- Бесплатная доставка при покупке от 30 000 рублей по Санкт-Петербургу в пределах КАД, Мурино и Кудрово. Габариты товара: длина до 0,5 м, высота до 0,4 м, ширина до 0,4 м. Общий вес до 80 кг.
- Бесплатная доставка со склада до терминала ТК Деловые Линии и ПЭК в течение 1-2 рабочих дней. Габариты товара: длина до 0,5 м, высота до 0,4 м, ширина до 0,4 м. Общий вес до 80 кг.
- Самовывоз из магазина. Когда заказ поступит на склад, вам придет уведомление. Для получения заказа обратитесь к сотруднику в кассовой зоне и назовите номер. Адрес магазина: проспект Энергетиков 19 к1 лит.Д
- Доставка при помощи транспортных служб в любые города РФ. На выбор заказчика Яндекс GO, Деловые линии, ПЭК или другая транспортная служба. Доставка оплачивается заказчиком.
Все товары по умолчанию отправляются в заводской упаковке. Можно заказать дополнительную упаковку за счет заказчика для более безопасной транспортировки.
