Доставка бесплатна при заказе от 30 000 ₽
Монтаж на DIN-рейку.
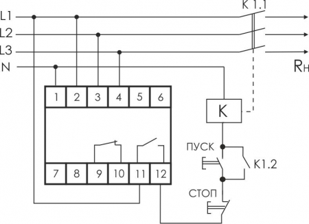
Предназначено для непрерывного контроля величины напряжения в трехфазной сети переменного тока и защиты электроустановок, электроприборов и прочего электронного оборудования от повышенного или пониженного напряжения, от обрыва нулевого провода.
Защита осуществляется путем отключения нагрузки от сети питания.
Верхний и нижний пределы напряжения устанавливает потребитель с помощью потенциометров на панели управления. Реле измеряет напряжение в сети и при выходе напряжения за установленные пределы или обрыве нулевого провода реле отключает защищаемое оборудование. После восстановления сетевого напряжения реле включается автоматически.
Особенности реле напряжения CP-731:
трехфазное;
контроль асимметрии напряжения;
контроль слипания фаз;
контроль чередования фаз;
напряжение питания - 3х(150...450)+N В AC;
максимальный ток нагрузки - 2х8 А;
контакты - 1NO, 1NC;
нижний порог напряжений - 150...210
верхний порог напряжений - 230...190
|
Бренд
|
Евроавтоматика F&F |
|
Артикул
|
EA04.009.005 |
|
Код единицы измерения размера (ДхШхВ)
|
Метр |
|
Ширина, мм
|
52.5 мм |
|
Высота, мм
|
90 мм |
|
Глубина
|
65 мм |
|
Количество размыкающих контактов
|
1 |
|
Количество замыкающих контактов
|
1 |
|
Род тока включения
|
Переменный ток (AC) |
|
С съемными клеммами, зажимами
|
Нет |
|
Возможен контроль 1-фазного понижения напряжения
|
Нет |
|
Возможен контроль 3-фазного понижения напряжения
|
Да |
|
Род тока контролируемого напряжения
|
Переменный ток (AC) |
|
Диапазон измерения напряжения 1 с, В
|
150 В |
|
Диапазон измерения напряжения 1 по, В
|
210 В |
|
Диапазон измерения напряжения 2 с, В
|
230 В |
|
Диапазон измерения напряжения 2 по, В
|
260 В |
|
Минимальное регулируемое время задержки срабатывания без выдержки
|
0.1 с |
|
Длина
|
0.105 |
|
Ширина
|
0.063 |
|
Высота
|
0.066 |
Для покупки указателей высокого напряжения, изоляторов, выключателей, предохранителей, трансформаторов и другой продукции в нашем интернет-магазине выберите понравившийся товар и добавьте его в корзину. Далее перейдите в Корзину и нажмите на «Оформить заказ» или «Быстрый заказ».
Когда оформляете быстрый заказ, напишите ФИО, телефон и e-mail. Вам перезвонит менеджер и уточнит условия заказа. По результатам разговора вам придет подтверждение оформления товара на почту или через СМС. Теперь останется только ждать доставки и радоваться новой покупке.
Оформление заказа в стандартном режиме выглядит следующим образом. Заполняете полностью форму по последовательным этапам: адрес, способ доставки, оплаты, данные о себе. Советуем в комментарии к заказу написать информацию, которая поможет курьеру вас найти. Нажмите кнопку «Оформить заказ».
Для заказа и уточнения наличия продукции на складе вы можете отправить заявку через наш сайт. Наши специалисты предложат квалифицированные услуги и поддержку по любым вопросам.
Минимальная сумма заказа 3 000 рублей
Оплачивайте покупки удобным способом. В интернет-магазине доступно 2 варианта оплаты:
- Наличные при самовывозе из магазина. Специалист свяжется с вами в день доставки, чтобы уточнить время и заранее подготовить сдачу с любой купюры. Вы подписываете товаросопроводительные документы, вносите денежные средства, получаете товар и чек.
- Безналичный расчет при самовывозе или оформлении в интернет-магазине: банковские карты. Чтобы оплатить покупку, система перенаправит вас на сервер системы ASSIST. Здесь нужно ввести номер карты, срок действия и имя держателя.
Экономьте время на получении заказа. В интернет-магазине доступны разные варианты доставки:
- Бесплатная доставка при покупке от 30 000 рублей по Санкт-Петербургу в пределах КАД, Мурино и Кудрово. Габариты товара: длина до 0,5 м, высота до 0,4 м, ширина до 0,4 м. Общий вес до 80 кг.
- Бесплатная доставка со склада до терминала ТК Деловые Линии и ПЭК в течение 1-2 рабочих дней. Габариты товара: длина до 0,5 м, высота до 0,4 м, ширина до 0,4 м. Общий вес до 80 кг.
- Самовывоз из магазина. Когда заказ поступит на склад, вам придет уведомление. Для получения заказа обратитесь к сотруднику в кассовой зоне и назовите номер. Адрес магазина: проспект Энергетиков 19 к1 лит.Д
- Доставка при помощи транспортных служб в любые города РФ. На выбор заказчика Яндекс GO, Деловые линии, ПЭК или другая транспортная служба. Доставка оплачивается заказчиком.
Все товары по умолчанию отправляются в заводской упаковке. Можно заказать дополнительную упаковку за счет заказчика для более безопасной транспортировки.
